Adet :
Su Seviye Tespit Probu 6V-48V 235mm Soğutma Suyu Müşürü
Motorlu araçlarda veya içten yanmalı herhangi bir motorda soğutma sistemi en önemli sistemlerden bir tanesidir.
Soğutma sıvısının azalması veya bitmesi hararete,hararet ise masraflı arızalara yol açar.
Bu olumsuzluğu önlemek için sürücü veya operatöre soğutma sıvısının kritik seviyenin altında olduğu ikazı verilmelidir.
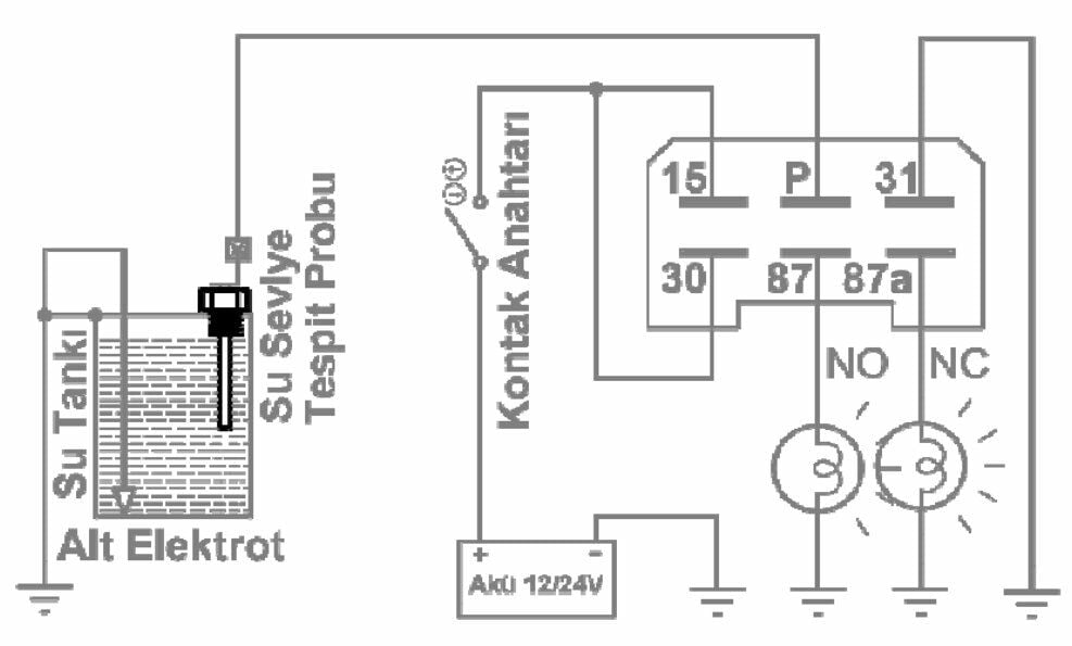
ELO Su Seviye Tespit Probu ve ELO Su Seviye İkaz Rölesi yardımıyla bu önlem çok kolay bir şekilde alınabilir.
Bu özelliğin herhangi bir araca, jeneratöre veya su/antifriz tankına kazandırılması için 1 adet ELO Su Seviye İkaz Rölesi ve 1 adet ELO Su Seviye Tespit Probu yeterlidir.
Su deposu ve tankının plastik olması halinde rölenin yanında 2 adet prob kullanılmalıdır.
Montajı son derece kolay olup, röle çıkışına ikaz ışığı, korna veya ikaz verici herhangi bir aygıt bağlanabilir.
Ürünün uzun ömürlü olmasını garanti altına almak için yüksek kalite 304 paslanmaz çelik ve ısıya dayanıklı, %30 cam elyaflı PA66 plastik malzeme kullanılmıştır.
Araç soğutma sisteminde basınç 1,4 - 1,6 barı geçmezken, ELO Su Seviye Probu 6 barda test edilmiş ve 4 barda sorunsuz çalışması güvence altına alınmıştır.
Montajda, sızdırmazlık için ürünün üzerinde gelen lastik conta genelde yeterli olurken, teflon bant kullanılması tavsiye edilir. Anma Gerilimi 6 / 12 / 24V Çalışma Gerilimi 5,0 - 48,0Vdc Prob Çapı 5mm Kullanım Şekli İletken/Metal kaplarda 1 adet, yalıtkan kaplarda 2 adet İletken Malzeme 304 Paslanmaz Çelik Dielektrik Dayanıklılığı >1000Vdc Bağlantı Terminali 6,3 x 0,8 mm
Ürün Görselleri:





Motorlu araçlarda veya içten yanmalı herhangi bir motorda soğutma sistemi en önemli sistemlerden bir tanesidir.
Soğutma sıvısının azalması veya bitmesi hararete,hararet ise masraflı arızalara yol açar.
Bu olumsuzluğu önlemek için sürücü veya operatöre soğutma sıvısının kritik seviyenin altında olduğu ikazı verilmelidir.
ELO Su Seviye Tespit Probu ve ELO Su Seviye İkaz Rölesi yardımıyla bu önlem çok kolay bir şekilde alınabilir.
Bu özelliğin herhangi bir araca, jeneratöre veya su/antifriz tankına kazandırılması için 1 adet ELO Su Seviye İkaz Rölesi ve 1 adet ELO Su Seviye Tespit Probu yeterlidir.
Su deposu ve tankının plastik olması halinde rölenin yanında 2 adet prob kullanılmalıdır.
Montajı son derece kolay olup, röle çıkışına ikaz ışığı, korna veya ikaz verici herhangi bir aygıt bağlanabilir.
Ürünün uzun ömürlü olmasını garanti altına almak için yüksek kalite 304 paslanmaz çelik ve ısıya dayanıklı, %30 cam elyaflı PA66 plastik malzeme kullanılmıştır.
Araç soğutma sisteminde basınç 1,4 - 1,6 barı geçmezken, ELO Su Seviye Probu 6 barda test edilmiş ve 4 barda sorunsuz çalışması güvence altına alınmıştır.
Montajda, sızdırmazlık için ürünün üzerinde gelen lastik conta genelde yeterli olurken, teflon bant kullanılması tavsiye edilir. Anma Gerilimi 6 / 12 / 24V Çalışma Gerilimi 5,0 - 48,0Vdc Prob Çapı 5mm Kullanım Şekli İletken/Metal kaplarda 1 adet, yalıtkan kaplarda 2 adet İletken Malzeme 304 Paslanmaz Çelik Dielektrik Dayanıklılığı >1000Vdc Bağlantı Terminali 6,3 x 0,8 mm
Ürün Görselleri:





Bu ürüne ilk yorumu siz yapın!
Ürün hakkında henüz soru sorulmamış.